• 樂清市奧賓儀表有限公司
    數顯電流表「奧賓儀表」
    全國客服熱線:

    18557702005

    新聞中心

    多功能電力儀表的電阻如何測量

    靈敏電流表是用來測定電路中電流強度且靈敏度很高的儀表。它有三個參數:滿偏電流Ig、滿偏時電流表兩端的電壓Ug和內阻rg。一般靈敏電流表的Ig為幾十微安到幾毫安,rg為幾十到幾百歐姆,Ug=Ig+rg也很小。下面介紹幾種測定電流表內阻的方法。
     
    電力儀表電阻計算
     
    ◆◆
    半偏法
    ◆◆
     
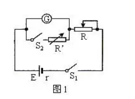
    中學物理實驗中常測定J0415型電流表的內阻。此型號電流表的量程為0-200,內阻約為,實驗電路如圖1所示。
     
    實驗步驟
     
    按圖1連好電路,S2斷開,S1閉合,調節變阻器R,使待測電流表G的指針滿偏。再將S2也閉合,保持變阻器R接在電路中的電阻不變,調節電阻箱R”使電流表G的指針半偏。讀出電阻箱的示值R”,則可認為。
     
     
    多功能電力儀表
     
     
    實驗原理與誤差分析
     
    認為S2閉合后電路中的總電流近似不變,則通過電阻箱的電流近似為。所以電流表內阻與電阻箱的示值近似相等。實際上S2閉合后電路中的總電流要變大,所以通過電阻箱的電流要大于,電阻箱的示值要小于電流表的內阻值。為了減小這種系統誤差,要保證變阻器接在電路中的阻值,從而使S2閉合前后電路中的總電流基本不變。R越大,系統誤差越小,但所要求的電源電動勢越大。實驗中所用電源電動勢為8-12V,變阻器的最大阻值為左右。
     
    ◆◆
    電流監控法
    ◆◆
     
    實驗中若不具備上述條件,可在電路中加裝一監控電流表G',可用與被測電流表相同型號的電流表。電源可用1.5V干電池,R用阻值為的滑動變阻器,如圖2所示。
     
    電流監控法
     
    實驗中,先將S2斷開,S1接通,調節變阻器R的值,使被測電流表G指針滿偏,記下監控表G'的示值。再接通S2,反復調節變阻器R和電阻箱R',使G的指針恰好半偏,而G'的示值不變。這時電阻箱R'的示值即可認為等于G的內阻。這樣即可避免前法造成的系統誤差。
     
    用圖2所示電路測量電流表G的內阻,也可不用半偏法。將開關S1、S2均接通,讀出被測電流表G的示值、監控表G'的示值、電阻箱的示值R',則可根據計算出電流表G的內阻。
     
    ◆◆
    代替法
    ◆◆
     
    按圖3所示連接電路,G為待測電流表,G'為監測表,S1為單刀單擲開關,S2為單刀雙擲開關。
     
    先將S2撥至與觸點1接通,閉合S1,調節變阻器R,使監測表G'指針指某一電流值(指針偏轉角度大些為好),記下這一示值。再將單刀雙擲開關S2撥至與觸點2接通,保持變阻器R的滑片位置不變,調節電阻箱R',使監測表G'恢復原來的示值,則可認為被測電流表G的內阻等于電阻箱的示值。
     
    用這種方法,要求監測表的示值要適當大一些,這樣靈敏度較高,測量誤差較小。
     
    ◆◆
    電壓表法
    ◆◆
    原則上得知電流表兩端的電壓U和通過它的電流I,就可以利用計算出它的內阻。但若測量J0415型電流表的內阻,滿偏時它的電壓才是0.1V,用J0408型電壓表的3V量程測量,指針才偏轉一個分度。這樣因讀數會引起很大的偶然誤差。所以不宜用一般電壓表直接測量電流表兩端的電壓。
     
     
    可用如圖4所示電路,將待測電流表G與電阻箱串聯后再與電壓表并聯。閉合開關S,調節變阻器與電阻箱,使電流表和電壓表的指針均有較大的偏轉,讀出電壓表的示數U、電流表的示值I和電阻箱的示值R”,則據得出電流表的內阻。
     
    電流監控法
     
    電源要用2節干電池,電壓表用3V量程,用最大阻值為左右的變阻器。
     
    ◆◆
    用內阻、量程已知的電流表代替電壓表
    ◆◆
     
     
    按圖5連接電路,G為待測內阻的電流表,G'為內阻、量程已知的標準電流表,E為1.5V的干電池一節,R為阻值為幾十歐姆的滑動變阻器。
     
    調節變阻器R,使兩電流表的指針均有較大的偏轉。讀出電流表G'的示值,設其內阻;讀出被測電流表G的示值,則據可得出電流表G的內阻值。

    新聞中心

    聯系我們

    聯系人:田經理

    手 機:18557702005

    電 話:18557702005

    郵 箱:abc586@yqaob.com

    公 司:樂清市奧賓儀表有限公司

    地 址:浙江省樂清市城南街道宋湖村宋竹路19弄1號

    點擊進入淘寶店鋪
  • 伊伊爱官方网站